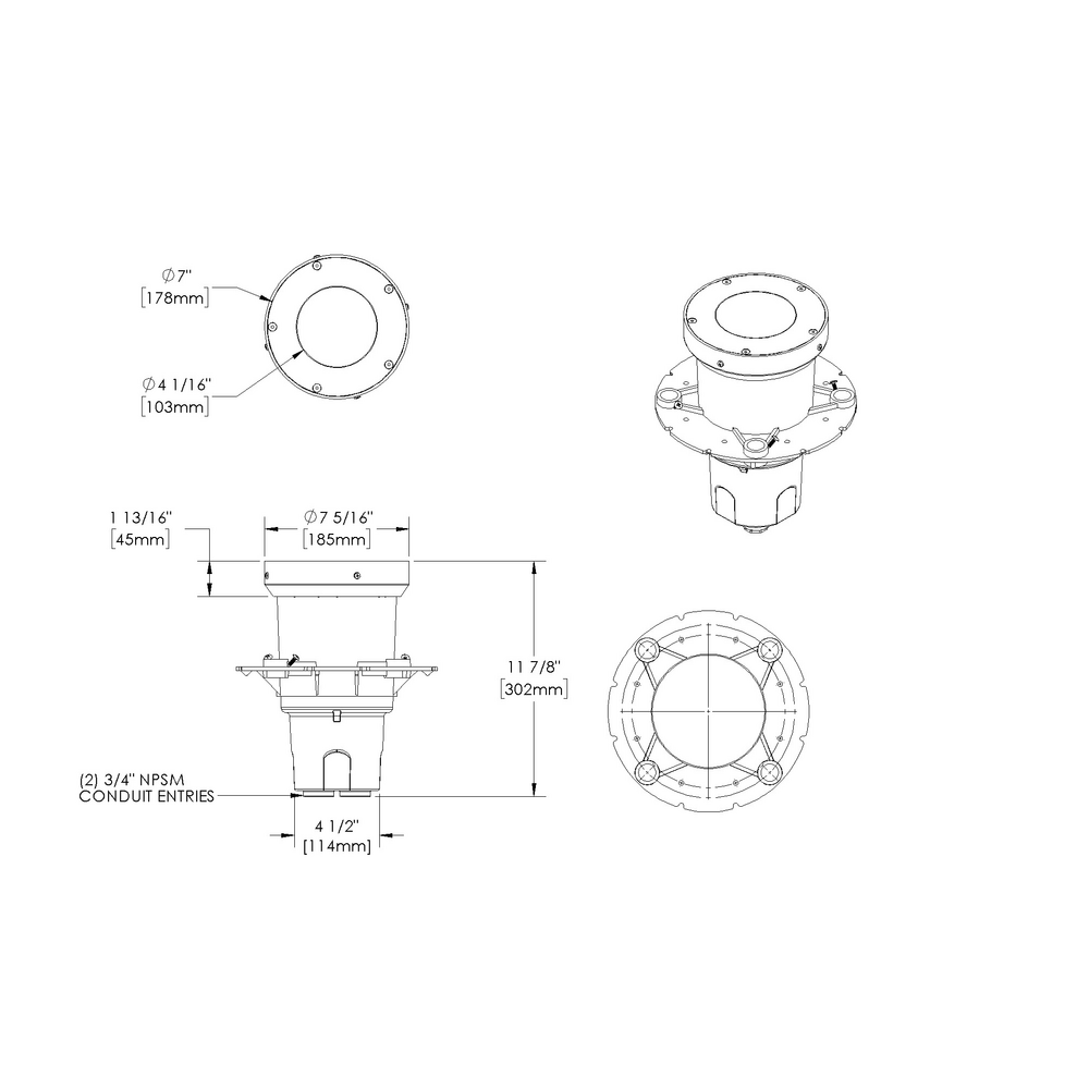
HP2 - In-grade - Line Voltage - Lamp PAR20 - Deep Housing - Faceplate Flush Mount
(formerly HP2 PAR20/30 Deep Housing / HP2-PAR20)




Upgraded
Downloads
Configure Product
Download as configured
NOTE: Please configure the LEFT column found below to activate these download links.
Date:
Project:
Type:
HP2-
01
IN-
02
LID-
03
LAP20-
04
___-
05
FFM-
06B
HDE-
06D
___-
07
___-
10A
___-
10B
WL00-
11
___-
12
___-
13
Click options to build your configurationCompleting the first column to render configured product images below

01 SERIES
02 CATEGORY
03 DRIVER
04 LIGHT SOURCE (TYPE)
05 MATERIAL
06B MOUNT
06D VERSION
07 LIGHT SOURCE
10A LENS
10B SHIELDING
11 WIRING LENGTH
12 FINISH
Standard Finishes
, , , , , , , Premium Finishes
, , , , , , , , , , , , , , , , , Other - RAL
Other - Custom Color
Brass Finishes
, , Stainless Steel Finishes
, 13 OPTION
- Light Source
- Technical
- Finishes
- Options
Light Source
Optic
Beam Angle
CCT (K)
CRI
Input Power (W)
Delivered Lumens (Lm)
CBCP
MacAdam Ellipses (SDCM)
Operating Current (mA)
L70 (Hours)
L90B10 (Hours)
IES File
IES Pdf
Diagram CONE
406
NSP - Narrow Spot
10
2850
100
39
475
3700
35000
407
MFL - Medium Flood
30
2850
100
39
475
1000
35000
Features

Anti-condensation vent allows moisture to exit the fixture but never enter in

Internal optics with adjustable aim

Lens factory adhered to fixture cap providing hermetically sealed optical compartment

Secured with flush, countersunk tamper resistant hardware

Machined solid billet faceplate provides unmatched strength and durability

Heavy wall corrosion-free composite housing for direct burial in soil or concrete

Designed and engineered for easy install

Manufactured in the USA with sustainable processes

Water-tight anti-siphon plug prevents moisture ingress from wireways

Easily replaceable modular components reduce waste and extend fixture life




